Scan With Your Mobile Phone
根据沥青高黏度的特性,公司从实际情况出发,在现有阀门的基础上,吸收国内外先进思想,研制开发出了用于输送高温沥青的BJ643H系列气动保温.三通阀,以大幅提高我国沥青拌和设备沥青系统的生产效率
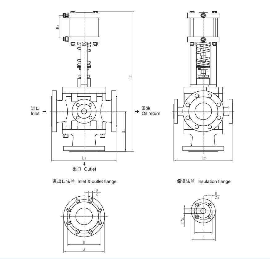
BJ643H系列气动保温三通阀连接结构采用法兰连接,阀体材料为铸钢。阀芯为铝合金材料,在使用过程中阀芯会根据阀体不锈钢密封面做自动调整修复,从而延长使用寿命。气缸和活塞都是按照阀门参数设.计定做,保证阀门能最佳的开启和关闭,进一步延长使用寿命。立柱及阀杆材质为不锈钢,保证阀门在恶劣的环境下不被锈蚀,可正常使用。活塞杆上安装的.弹簧不仅保证了阀门在0.3MPa到1.0MPa压力之间的使用,也起到了缓冲作用,保护了阀芯和活塞,同时在气缸失气的情况下,可以封住出油回路。
BJ643H系列气动保温三通阀利用活塞在气缸中形成两个密封腔,通过两个密封腔的压力差达到阀门的开启和关闭,并且在气缸的上下盖配有限位开关,不仅保证了阀芯的位移,也实现了自动化控制。

| 公 称 通 径
D N Inside nominal diameter |
安装尺寸
Installationsize |
进出口法兰
Inlet and outlet flange PN16 GB/T17241.6 |
保温法兰
Insulation flange PN16 GB/T17241.6 |
|||||||||||
| L1 | L2 | H1 | H2 | H3 | A | B | D | Z1 | DNb | I | J | H | Z2 | |
| 50 | 230 | 230 | 206 | 651 | 104 | 160 | 125 | 19 | 4 | 20 | 105 | 75 | 14 | 4 |
| 65 | 290 | 260 | 180 | 650 | 114 | 180 | 145 | 19 | 4 | 25 | 115 | 85 | 14 | 4 |
| 80 | 310 | 280 | 190 | 665 | 112 | 195 | 160 | 19 | 8 | 25 | 115 | 85 | 14 | 4 |
| 100 | 350 | 300 | 200 | 716 | 122 | 215 | 180 | 19 | 8 | 25 | 115 | 85 | 14 | 4 |
| 125 | 400 | 350 | 230 | 856 | 144 | 245 | 210 | 19 | 8 | 25 | 115 | 85 | 14 | 4 |
| 150 | 440 | 380 | 270 | 1143 | 182 | 280 | 240 | 23 | 8 | 32 | 135 | 100 | 19 | 4 |
上一篇:
下一篇 :立式船用三螺杆泵